Вернуться: 2023-08-07
Hall effect joystick
Firm and reliable structure
Various output signals

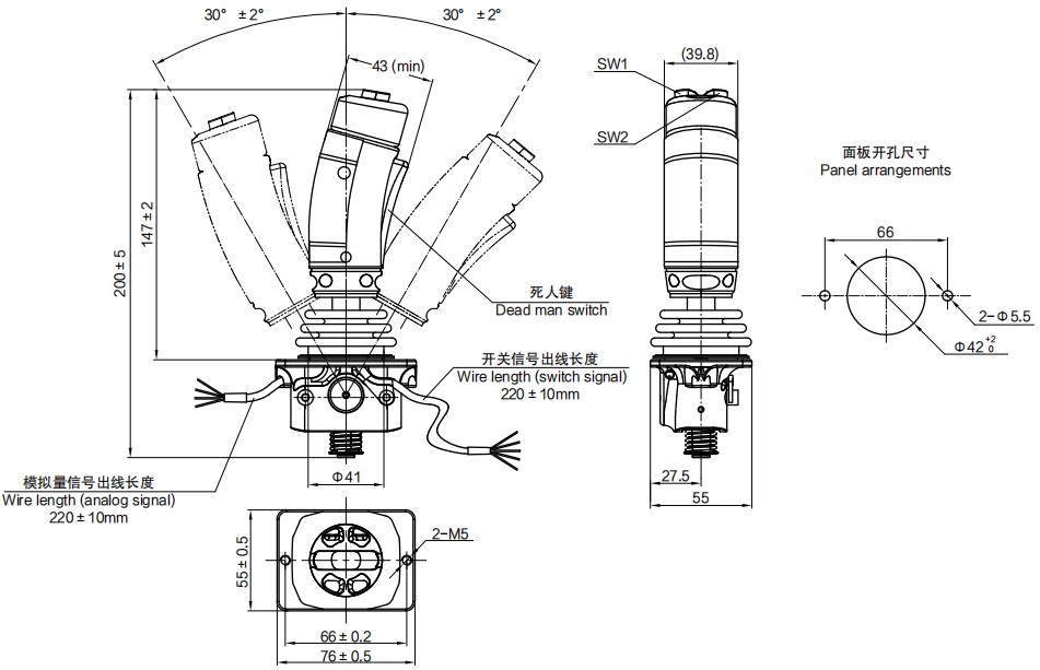
Operating angle
Approx. ±30°
Operating type
With spring return device
Operating force
Approx. 1.15~1.85 N·m
Max. operating force
300N
Mechanical life expectancy
Approx. 10,000,000
Operating temperature
-40℃~+85℃
Storage temperature
-40℃~+85℃
Mass
Approx. 550g(Without knob)
Protection degree
IP67(Electrical parts)
Input voltage
5V±10%;9~30V;15~30V;15~30V
Output signal
0~100%Vcc;0~5V;0~10V;4~20mA
Current consumption (no-load)
<16mA;<25mA;<25mA;<35mA
Load resistance
>100KΩ;>100KΩ;>100KΩ;<600Ω
Output deviation at both ends
<1%.Vcc;<50mV;<50mV;<0.1mA
Effective electrical angle
±30°
Independent linearity tolerance
±2%
Resolution
4096 (12 bits)
Update rate
0.3ms
Vibration
10~200Hz 35m/s²
Shock
196m/s²,6ms
Dielectric strength
1min (500V.A.C.)
Insulation resistance
>1000MΩ (500V.D.C.)
EMS
10V/m (80MHz~1GHz,1KHz 80%) EN61000-4-3:2006+A1:2010
Electrical specifications (switch)
Push button switch
Rating
30V.D.C. / 0.1A
Electrical life expectancy
1,000,000
Mechanical life expectancy
-
Insulation resistance
>1000MΩ (500V.D.C.)
Dielectric strength
1min (1000V.A.C.)
Color
Analog signal / Switch signal
Title
Red;Black;White;Yellow / Blue;Black;Green; Yellow White
Special analog signals
10V applied, 0~10V output;3.3V applied, 0~5V output;PWM
Other output signals
SSI, RS485, CANopen, USB, Modbus, wireless conmunication(LoRa), other digital signal, bus signal, etc.
Special knob
Customized knob
Other special specifications
With customer-specific connectors