Tiempo: 2023-10-30
Magnetic encoders
High protection degree
With one couple of precision ball bearings
Heavy-duty
Antimagnetic interference
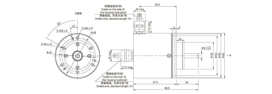
Screw&Servo mount

Protection degree
Housing case IP67;Shaft IP65, Optional IP67
Staring torque
<50mN·m
Life expectancy
>100,000,000
Mass
Approx.360g
Housing material
Aluminium alloy
Shaft material
Stainless steel
Shaft load
Radial 80N, Axial 40N
Shaft diameter
φ6/ φ8/ φ10/ φ12
Operating temperature range
-30℃~+85℃
Storage temperature range
-30℃~+85℃
Vibration
100m/s²,55Hz~2000Hz (EN 60068-2-6)
Shock
100m/s²,6ms (EN 60068-2-27)
ESD durability
Contact discharge ±8KV,
EMS durability
Aerial discharge ±15KV,EN61000-4-2:2009"
Standard model
EASD58A-S1-W12A
Applied voltage
9V-30V
Current consumption (no-load)
<80mA
Single-turn resolution
4096(12Bit);Max 16384(14Bit)
Interface
SSI
Code rule
Binary / Gray
Signal level
TTL
Update signal
10μs
Insulation resistance
> 1000MΩ (500V.D.C)
Dielectric strength
1 min (500V.A.C)
Special shaft
Special length of shaft, special diameter, special machining on shaft (like shaft slotted、fatted etc.) or blind hole