Tiempo: 2023-01-09
Conductive Plastic
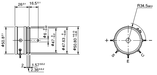
Single turn
Servomount
Non-linear (SINCOS)

Standard Resistance Range
1K,2K,5K,10K(Ω)
Special Practical Resistance Values
20K,50K,100K(Ω)
Total Resistance Tolerance
Standard Class ±15%(L), Precision Class ±10%(K)
Conformity Tolerance (Peak-Peak)
Standard Class ±0.5%, Precision Class ±0.3%, Super Precision Class ±0.2%
Resolution
Essentially infinite
Output Smoothness
<against input voltage 0.1%
Contact Resistance
<8%C.R.V.
Power Rating
1.25W
Electrical Travel
360°(Endless)
Mechanical Travel
360°(Endless)
Insulation Resistance
>1000MΩ(1000V.D.C.)
Dielectric Strength
1 minute at 1,000V.A.C.
Starting Torque
<5mN·m(50gf·cm)
Resistance Temperature Coefficient
±400p.p.m./℃
Mass
Approx.120g
Special shaft type
Shaft dia. (φ 6.35mm) with inch dimension, shaft with front and rear extension (Rear shaft with 6mm dia. and 15mm length), special machining on the shaft
Special mounting
Bushingmount type
Special gangs
Multi-ganged (Available up to 3 gangs. Housing length is extended by 17mm per 1 gang)