
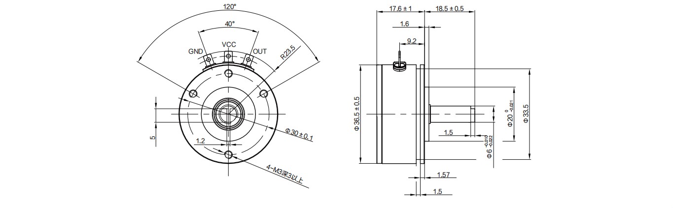
機械轉角
360º(連續(xù)旋轉)
防護等級
IP40
旋轉力矩
<5mN·m
預期壽命
50,000,000
質量
Approx.60g
外殼
鋁合金,表面陽極氧化
后蓋
尼龍
軸
不銹鋼
工作溫度
-30℃~+85℃
儲存溫度
-30℃~+85℃
ESD
接觸放電±8KV,空氣放電±15KV,EN61000-4-2:2009
EMS
10V/m (80MHz~1GHz,1KHz80% 調幅),EN61000-4-3:2006+A1:2010
標準型號
WLH35A 0505 W360(更多工作電壓/輸出信號:2410、2405、2442,請下載資料查看。)
工作電壓
5V±10%
輸出信號
0~100%Vcc
工作電流(無負載)
<16mA
始末端輸出偏差
<1%·VCC
負載電阻
>100KΩ
有效電氣轉角
360º
獨立線性公差
±0.5%
分辨率
4096 (12 Bit)
更新速度
0.3ms
絕緣電阻
> 1000MΩ (500V.D.C)
介質耐壓
1 min (500V.A.C)
0505
5V±10% / 0~100%Vcc
2410
15~30V / 0~10V
2405
9~30V / 0~5V
2442
15~30V / 4~20mA
特殊模擬量信號
1010:10V輸入,0~10V輸出、0305:3.3V輸入,0~5V輸出、雙路模擬量、PWM
其他輸出信號
SSI, SER, SPI, RS485, RS422, CAN, USB
特殊軸型
特殊軸長、特殊軸徑或軸上特殊加工(銑平面、開槽、端部打孔、側面打孔等)。